Linux工控一体机
您现在的位置是:网站首页 > 产品中心 > 安卓&Linux(R818/RK3288/RK3568/A3 > Linux工控一体机 >
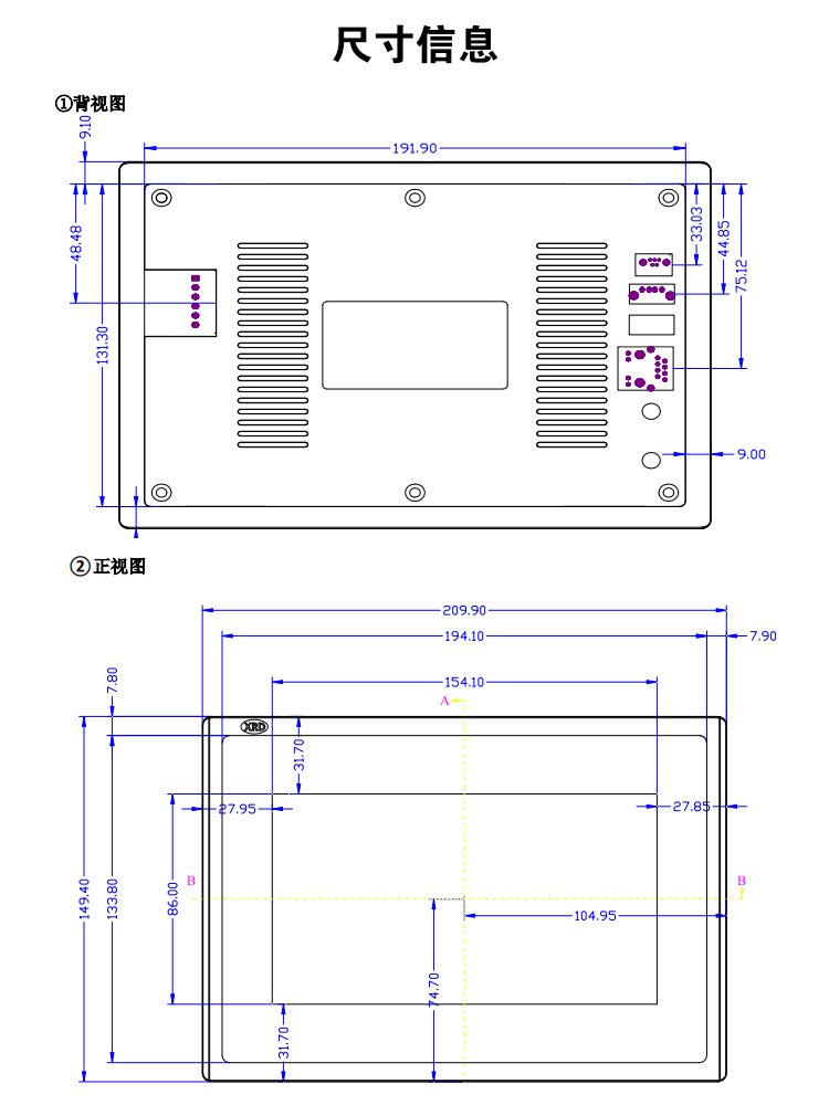
Linux工控一体机:7.0寸
特点描述:XN070LRK15W系列,是j9国际备用基于ARM A53架构自主研发设计的一款工业Linux智能触控显示终端,由底板、LCD显示屏及触摸屏组成。搭载全志R818四核处理器,Ubuntu18.04操作系统,支持自主设计程序安装;全新丽色显示系统,支持自主调节冷暖色调;支持4K视频播放, 200万双摄;接口资源丰富,用户可通过 RS232、RS485、TTL等串口端口与外部设备进行通信;也可以通过WIFI/以太网联网、浏览网页、播放音乐、播放视频、远程升级更新等。
- 产品概述
- 参数规格表
- 行业应用










产品推荐



















